技术参数
产品型号:H41F46
公称通径:DN15mm-2500mm
公称压力:PN0.6 MPa ~1.6 MPa
阀体测试:PN×1.5 MPa
密封检测:PN×1.1 MPa
试验标准:GB/T13927-2008
衬里检测:电火花检测
阀瓣材料:碳钢完全包覆氟塑料
适用温度:≤80℃、≤100℃、≤120℃、≤150℃
产品概述
衬氟直通升降式止回阀是阀体内部流道密封均采用全衬四氟,具有强度高、耐腐蚀性能好的特点。其适用在-50℃~150℃的各种浓度的王水、硫酸、盐酸、氢氟酸和各种有机酸、强酸、强氧化剂,FEP还适用于各种浓度的强碱有机溶剂以及其它腐蚀性气体、液体介质的管路上,用来防止介质的倒流。
主要零部件材料
|
序号 |
零件名称 |
灰铸铁 |
铸钢 |
不锈耐酸铸钢 |
超低碳不锈耐酸铸钢 |
||
|
Z |
C |
P |
R |
PL |
RL |
||
|
1 |
阀体/阀盖 |
HT250 |
WCB |
CF8 |
CF8M |
CF3 |
CF3M |
|
2 |
阀瓣/阀杆 |
35 |
1Cr13 |
1Cr18Ni9 |
1Cr18Ni12Mo2Ti |
00Cr18Ni10 |
00Cr17Ni14Mo2 |
|
3 |
衬里/阀座 |
PCTEF(F3),FEP(F46),PFA(可溶F4),PP,PO |
|||||
|
4 |
紧固螺栓 |
WCB |
1Cr17Ni2 |
1Cr18Ni9Ti |
|||
|
5 |
螺母 |
PTFE(F4) |
CF8 |
CF8 |
|||
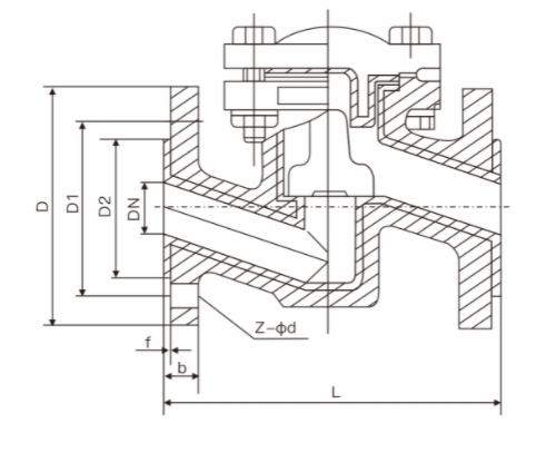
主要外形和连接尺寸 PN0.6MPa
|
公称通径 |
标准值 |
参考值 |
|||||||||
|
DN(mm) |
NPS(inch) |
L |
D |
D1 |
D2 |
f |
b |
Z-Φd |
B |
H |
W(kg) |
|
15 |
1/2 |
130 |
80 |
55 |
40 |
2 |
12 |
4-Φ12 |
105 |
55 |
4 |
|
20 |
3/4 |
150 |
90 |
65 |
50 |
2 |
14 |
4-Φ12 |
115 |
58 |
5 |
|
25 |
1 |
160 |
100 |
75 |
60 |
2 |
14 |
4-Φ12 |
128 |
60 |
6 |
|
32 |
1 1/4 |
180 |
120 |
90 |
70 |
2 |
16 |
4-Φ14 |
145 |
75 |
7 |
|
40 |
1 1/2 |
200 |
130 |
100 |
80 |
3 |
16 |
4-Φ14 |
160 |
82 |
8 |
|
50 |
2 |
230 |
140 |
110 |
90 |
3 |
16 |
4-Φ14 |
178 |
95 |
10 |
|
65 |
2 1/2 |
290 |
160 |
130 |
110 |
3 |
16 |
4-Φ14 |
205 |
105 |
20 |
|
80 |
3 |
310 |
185 |
150 |
125 |
3 |
18 |
4-Φ18 |
230 |
120 |
25 |
|
100 |
4 |
350 |
205 |
170 |
145 |
3 |
18 |
4-Φ18 |
255 |
135 |
30 |
|
125 |
5 |
400 |
235 |
200 |
175 |
3 |
20 |
8-Φ18 |
305 |
158 |
50 |
|
150 |
6 |
480 |
260 |
225 |
200 |
3 |
20 |
8-Φ18 |
345 |
180 |
65 |
|
200 |
8 |
495 |
315 |
280 |
255 |
3 |
22 |
8-Φ18 |
415 |
215 |
137 |
|
250 |
10 |
622 |
370 |
335 |
310 |
3 |
24 |
12-Φ18 |
490 |
240 |
150 |
|
300 |
12 |
698 |
435 |
395 |
362 |
4 |
24 |
12-Φ23 |
540 |
265 |
185 |
|
350 |
14 |
787 |
485 |
445 |
412 |
4 |
26 |
12-Φ23 |
585 |
300 |
215 |
|
400 |
16 |
914 |
535 |
495 |
462 |
4 |
28 |
16-Φ23 |
625 |
360 |
244 |
|
450 |
18 |
978 |
590 |
550 |
518 |
4 |
28 |
16-Φ23 |
680 |
385 |
276 |
|
500 |
20 |
978 |
640 |
600 |
568 |
4 |
30 |
16-Φ23 |
740 |
415 |
315 |


























