技术参数
产品型号:Q644F/Q645F
公称通径:DN15~200mm
公称压力:PN16、25bar
连接形式:法兰式
介质温度:W1:-40~180℃ W2:-40~300℃ W3:-30~425℃ W4:-40~425℃
阀体材质:WCB、ZG1Cr18Ni9Ti、ZG0Cr18Ni12Mo2Ti
适用介质:水、蒸汽、油品,硝酸类,醋酸类
产品概述
气动三通球阀是一种三通道的回转型球阀, 用于介质分流、合流及流向切换,任何一个管道都可以作为入口或出口。有气动三通L型球阀和气动三通T型球阀两种,可以满足不同的工业要求。三通L型球阀是对三条管道中的两条管道进行切断,三通T型球阀实现把三条连通管道进行合流与分流。广泛应用于化工,石油、轻纺、电力、食品制药、制冷造纸等领域。
产品特点
1、流体阻力小,其阻力系数与同长度的管段相等。
2、结构简单、体积小、重量轻。
3、紧密可靠,目前球阀的密封面材料广泛使用塑料、密封性好,在真空系统中也已广泛使用。
4、操作方便,开闭迅速,从全开到全关只要旋转90°,便于远距离的控制。
5、维修方便,球阀结构简单,密封圈一般都是活动的,拆卸更换都比较方便。
6、在全开或全闭时,球体和阀座的密封面与介质隔离,介质通过时,不会引起球阀密封面的侵蚀。
执行标准
| 设计依据 | GB标准 | ANSI标准 |
| 设计标准 | GB/12237 | ANSI B16.34 |
| 连接法兰尺寸 | GB/9113、JB/T79 | ANSI B16.5 |
| 实验和检验 | JB/T9092 | API 598 |
备注:系列球阀结构长度及连接尺寸可根据客户要求设计制造。
主要技术参数
| 公称通径 | DN15~200mm |
| 连接方式 | 法兰 |
| 气缸配置 | AT系列、GT系列及进口执行器系列 |
| 气缸形式 | 双作用、单作用(弹簧复位) |
| 控制方式 | 换向、分流 |
| 公称压力 | 16、25bar(如需更高压力订货时请注明) |
| 气源压力 | 双作用:4~8bar、单作用:5~8bar |
| 介质温度 | W1:-40~180℃ W2:-40~300℃ W3:-30~425℃ W4:-40~425℃ |
| 环境温度 | 标准型:-20~80℃ |
| 阀体材质 | 碳钢(C)、不锈钢(P4、P6) |
| 密封材质 | 聚四氟乙烯(F)、对位聚苯(PPL)、金属硬密封(H)、硬质合金(Y) |
主要零件材质
| 序号 | 零件名称 | 材质 | 序号 | 零件名称 | 材质 | ||||
| C | P4 | P6 | C | P4 | P6 | ||||
| 1 | 右阀体 | WCB | ZG1Gr18Ni9Ti | ZG1Cr18Ni12Mo2Ti | 11 | 衬套 | PTFE.复合轴承 | ||
| 2 | 螺母 | 35 | 1Gr18Ni9Ti | 1Gr18Ni9Ti | 12 | 压盖 | WCB | ZG1Gr18Ni9Ti | ZG1Cr18Ni12Mo2Ti |
| 3 | 垫片 | PTFE.石墨金属复合垫 | 13 | 螺栓 | 35 | 1Gr18Ni9Ti | 1Gr18Ni9Ti | ||
| 4 | 螺栓 | 35 | 1Gr18Ni9Ti | 1Gr18Ni9Ti | 14 | 螺栓 | 35 | 1Gr18Ni9Ti | 1Gr18Ni9Ti |
| 5 | 阀体 | WCB | ZG1Gr18Ni9Ti | ZG1Cr18Ni12Mo2Ti | 15 | 连接支架 | 1Gr18Ni9Ti | 1Gr18Ni9Ti | 1Gr18Ni9Ti |
| 6 | 阀座 | PTFE.尼龙.对位聚苯.金属硬密封 | 16 | 螺栓 | 35 | 1Gr18Ni9Ti | 1Gr18Ni9Ti | ||
| 7 | 球体 | 1Gr18Ni9Ti | 1Gr18Ni9Ti | 1Cr18Ni12Mo2Ti | 17 | 连接套 | 35 | 1Gr18Ni9Ti | 1Gr18Ni9Ti |
| 8 | 阀杆 | 1Gr13 | 1Gr18Ni9Ti | 1Cr18Ni12Mo2Ti | 18 | 气动装置 | 挤压铝合金 | ||
| 9 | 垫片 | PTFE | PTFE | PTFE | 19 | 位置指示器 | 塑料 | 塑料 | 塑料 |
| 10 | 填料 | PTFE.柔性石墨 |
|
||||||
备注:其它特殊密封材质或特殊温度亦可根据客户要求设计制造。
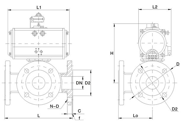
主要外形尺寸-PN16(16bar)
| 公称通径DN(mm) | 外形尺寸 | 连接尺寸 | 执行器型号 | |||||||||
| L | L0 | L1 | L2 | H | D | D1 | D2 | C | f | N-D | ||
| 15 | 150 | 72 | 141/159 | 71/83 | 204/235 | 95 | 65 | 46 | 14 | 2 | 4-14 | ATD50/ATE63 |
| 20 | 160 | 80 | 159/211 | 83/95 | 240/252 | 105 | 75 | 56 | 16 | 2 | 4-14 | ATD63/ATE75 |
| 25 | 180 | 90 | 211/248 | 95/107 | 257/265 | 115 | 85 | 65 | 16 | 2 | 4-14 | ATD75/ATE88 |
| 32 | 200 | 100 | 211/248 | 95/107 | 277/312 | 140 | 100 | 76 | 18 | 3 | 4-18 | ATD75/ATE88 |
| 40 | 220 | 110 | 248/269 | 107/123 | 292/317 | 150 | 110 | 84 | 18 | 3 | 4-18 | ATD88/ATE100 |
| 50 | 240 | 120 | 248/345 | 107/152 | 325/347 | 165 | 125 | 99 | 20 | 3 | 4-18 | ATD88/ATE125 |
| 65 | 260 | 130 | 315/409 | 141/172 | 357/389 | 185 | 145 | 118 | 20 | 3 | 4-18 | ATD115/ATE145 |
| 80 | 280 | 140 | 345/409 | 152/172 | 368/400 | 200 | 160 | 132 | 20 | 3 | 8-18 | ATD125/ATE145 |
| 100 | 320 | 160 | 409/550 | 172/215 | 410/498 | 220 | 180 | 156 | 22 | 3 | 8-18 | ATD145/ATE160 |
| 125 | 400 | 190 | 438/600 | 187/240 | 470/538 | 250 | 210 | 184 | 22 | 3 | 8-18 | ATD160/ATE210 |
| 150 | 440 | 220 | 550/633 | 215/262 | 556/591 | 285 | 240 | 211 | 24 | 3 | 8-22 | ATD190/ATE240 |
| 200 | 550 | 260 | 600/730 | 210/330 | 648/687 | 340 | 295 | 266 | 24 | 3 | 12-22 | ATD210/ATE270 |
主要外形尺寸-PN25(25bar)
| 公称通径DN(mm) | 外形尺寸 | 连接尺寸 | 执行器型号 | |||||||||
| L | L0 | L1 | L2 | H | D | D1 | D2 | C | f | N-D | ||
| 15 | 150 | 72 | 159/211 | 83/95 | 235/247 | 95 | 65 | 46 | 14 | 2 | 4-14 | ATD63/ATE75 |
| 20 | 160 | 80 | 211/248 | 95/107 | 252/260 | 105 | 75 | 56 | 16 | 2 | 4-14 | ATD75/ATE88 |
| 25 | 180 | 90 | 248/269 | 107/123 | 265/289 | 115 | 85 | 65 | 16 | 2 | 4-14 | ATD88/ATE100 |
| 32 | 200 | 100 | 248/315 | 107/141 | 287/312 | 140 | 100 | 76 | 18 | 3 | 4-18 | ATD88/ATE115 |
| 40 | 220 | 110 | 269/409 | 123/152 | 317/339 | 150 | 110 | 84 | 18 | 3 | 4-18 | ATD100/ATE125 |
| 50 | 240 | 120 | 345/345 | 123/152 | 325/347 | 165 | 125 | 99 | 20 | 3 | 4-18 | ATD100/ATE125 |
| 65 | 260 | 130 | 269/345 | 141/172 | 357/389 | 185 | 145 | 118 | 22 | 3 | 4-18 | ATD115/ATE145 |
| 80 | 280 | 140 | 315/438 | 152/187 | 400/425 | 200 | 160 | 132 | 24 | 3 | 8-18 | ATD125/ATE160 |
| 100 | 320 | 160 | 409/550 | 172/215 | 443/531 | 235 | 190 | 156 | 24 | 3 | 8-22 | ATD145/ATE190 |
| 125 | 400 | 190 | 438/600 | 187/240 | 548/583 | 270 | 220 | 184 | 26 | 3 | 8-26 | ATD160/ATE210 |
| 150 | 440 | 220 | 550/633 | 215/262 | 628/665 | 300 | 250 | 211 | 28 | 3 | 8-26 | ATD190/ATE240 |
| 200 | 550 | 260 | 600/730 | 210/330 | 695/744 | 360 | 310 | 274 | 30 | 3 | 12-22 | ATD210/ATE270 |
备注:根据不同的阀门扭矩,不同的气源压力及不同的实际工况,选择相匹配的执行器其相关外形尺寸也随之变化。


































